Product Summary
The XC3S400-4FG456C is one member of the Spartan-3 FPGA family that builds on the success of the earlier Spartan-IIE family by increasing the amount of logic resources, the capacity of internal RAM, the total number of I/Os, and the overall level of performance as well as by improving clock management functions.
Parametrics
Absolute maximum ratings: (1)Internal supply voltage: -0.5 to 1.32 V;(2)Auxiliary supply voltage: -0.5 to 3.00 V;(3)Output driver supply voltage: -0.5 to 3.75 V;(4)Input reference voltage: -0.5 to VCCO+0.5 V;(5)Junction temperature: 125 ℃;(6)Soldering temperature: 220 ℃;(7)Storage temperature: -65 to 150 ℃.
Features
Features: (1)Revolutionary 90-nanometer process technology; (2)Very low cost, high-performance logic solution for high-volume, consumer-oriented applications; (3)Up to 784 I/O pins; (4)622 Mb/s data transfer rate per I/O; (5)Seventeen single-ended signal standards; (6)Seven differential signal standards including LVDS; (7)Termination by Digitally Controlled Impedance; (8)Eight global clock lines and abundant routing; (9)Fully supported by Xilinx ISE development system - Synthesis, mapping, placement and routing; (10)MicroBlaze processor, PCI, and other cores.
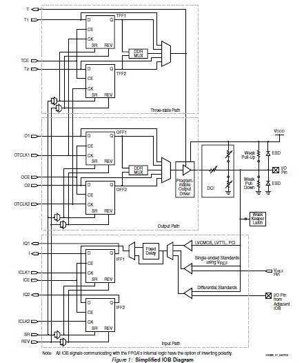
Diagrams

| Image | Part No | Mfg | Description | ![]() |
Pricing (USD) |
Quantity | ||||||||||
|---|---|---|---|---|---|---|---|---|---|---|---|---|---|---|---|---|
![]() |
![]() XC3S400-4FG456C0974 |
![]() Other |
![]() |
![]() Data Sheet |
![]() Negotiable |
|
||||||||||
| Image | Part No | Mfg | Description | ![]() |
Pricing (USD) |
Quantity | ||||||||||
![]() |
![]() XC3S1000 |
![]() Other |
![]() |
![]() Data Sheet |
![]() Negotiable |
|
||||||||||
![]() |
![]() XC3S1000-4FG456I |
![]() |
![]() IC FPGA SPARTAN 3 456FBGA |
![]() Data Sheet |
![]()
|
|
||||||||||
![]() |
![]() XC3S1000-4FG676I |
![]() |
![]() IC FPGA SPARTAN 3 676FBGA |
![]() Data Sheet |
![]()
|
|
||||||||||
![]() |
![]() XC3S1000-4FGG320C |
![]() |
![]() SPARTAN-3A FPGA 1M STD 320-FBGA |
![]() Data Sheet |
![]()
|
|
||||||||||
![]() |
![]() XC3S1000-4FGG320I |
![]() |
![]() IC SPARTAN-3A FPGA 1M 320-FBGA |
![]() Data Sheet |
![]()
|
|
||||||||||
![]() |
![]() XC3S1000-4FGG456C |
![]() |
![]() IC SPARTAN-3 FPGA 1M 456-FBGA |
![]() Data Sheet |
![]()
|
|
||||||||||
(China (Mainland))










